language
繁體中文
English
簡體中文
繁體中文
English
簡體中文
关于雲巖
企业简介
公司沿革
经营理念
绿色供应链
企业简介
公司沿革
经营理念
绿色供应链
最新消息
公司新讯
公司新讯
产品介绍
PCB成型刀具
PCBA分板机刀具
钨钢圆棒
钨钢冲头
自动化设备
美甲刀(螺旋锉/滚磨刀)
PCB成型刀具
PCBA分板机刀具
钨钢圆棒
钨钢冲头
自动化设备
美甲刀(螺旋锉/滚磨刀)
服务项目
段差代工
前制程代工
各类钨钢刀具代工
设备零件销售
段差代工
前制程代工
各类钨钢刀具代工
设备零件销售
联络我们
home
首页
navigate_next
产品介绍
navigate_next
圆冲
产品介绍
Products
PCB成型刀具
keyboard_arrow_down
keyboard_arrow_up
标准铣刀(白刀)
镀膜铣刀
镀钻铣刀
其他刀具
PCBA分板机刀具
keyboard_arrow_down
keyboard_arrow_up
上排屑
下排屑
钨钢圆棒
keyboard_arrow_down
keyboard_arrow_up
精磨圆棒
圆棒粗胚
钨钢冲头
keyboard_arrow_down
keyboard_arrow_up
直柄型
导冲
导料销
圆冲
定位针
PIN
异型加工
自动化设备
keyboard_arrow_down
keyboard_arrow_up
螺旋切粒刀研磨机
JS系列段差设备
JS系列刀具前制程设备(切断、倒角)
美甲刀(螺旋锉/滚磨刀)
keyboard_arrow_down
keyboard_arrow_up
锥型
圆头型
平直型
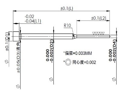
圆冲
visibility
圆冲
半导体导线架、
LED导线架、
消费性电子之精密金属冲压件等利用