
Tungsten Carbide Cutting Tool OEM / ODM Service
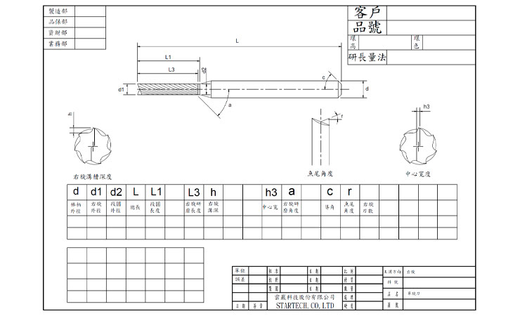
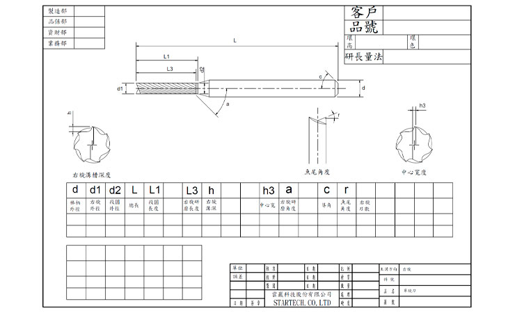
Startech Precision Corporation provides professional Tungsten Carbide Cutting Tool OEM / ODM services, offering a one-stop solution from drawing / sample evaluation, tool geometry design, and material grade selection to coating application. The pre-processing stages include rod cutting, centerless grinding, step grinding, chamfering, slotting, and finishing, supporting standard shank sizes such as 3.175 mm as well as fully customized specifications.
Using ultra-fine grain, high-hardness substrates combined with advanced coatings such as ZrCN and TiSiCrN, we ensure superior wear resistance and heat dissipation. Dimensional accuracy, concentricity, and cutting-edge quality are strictly controlled, with laser micrometer and optical projection measurement systems providing full traceability.
Each shipment is accompanied by inspection reports, material certificates, and batch traceability documentation. All processes are ISO 9001 certified and compliant with RoHS / REACH standards. We support rapid prototyping, low MOQ production, and flexible delivery, suitable for PCB router bits, micro-diameter tools, and customized special-shaped cutters.
Tungsten Carbide Cutting Tool OEM / ODM Service
Tungsten Carbide Cutting Tool OEM / ODM Service also reflects STARTECH's manufacturing foundation, in-house control, and practical experience in carbide tooling and precision grinding for industrial buyers.
This page helps connect company information with real sourcing value by showing how our production strengths support stable quality, responsive cooperation, and dependable project execution.
For customers evaluating STARTECH as a long-term partner, it also provides a clearer view of our production background, business reliability, and ability to support ongoing industrial requirements.
Startech Precision
0
Company Establish Year
0
Sale Countries
0
Monthly Production
0
Production Equipment


